
- Teste di tappatura: 2 pezzi servo-moto
- Tensione: 220V, 50/60HZ;
- Potenza: 3,0 kW
- Pressione dell'aria: 0,5–0,7 MPa
- Ampere: 8,5A
- Velocità: 40-45/min (personalizzata in base alle forme e alle dimensioni dei barattoli)
- Diametro del prodotto adatto: coperchi φ28-φ125mm (personalizzati non standard)
- Tasso di passaggio della ghiandola: ≥99,5% (a seconda dell'errore del coperchio e della bottiglia)
- Dimensioni della macchina: 3300*1150mm*1908mm
- Peso: 450kg
Prima di accendere la macchina, leggere attentamente questo manuale per questioni di sicurezza e per il corretto utilizzo della macchina. Per evitare incidenti al personale e ridurre la frequenza dei danni alla macchina.
Nel caso di prodotti corrosivi, fare attenzione a non far entrare in contatto o schizzare oggetti corrosivi sulla macchina stessa e sul personale.
- Evitare di utilizzare la macchina in luoghi soggetti a vibrazioni o urti.
- Quando la macchina è in funzione, il corpo del personale non può toccare le parti mobili.
- La macchina dovrebbe essere evitata in luoghi eccessivamente umidi. E inserirla nell'alimentazione elettrica, con il filo di terra correttamente messo a terra, per evitare incidenti di sicurezza.
- L'operatore deve mantenere uno stato fisico e mentale normale. Se si assumono alcol, sonniferi o altri farmaci che possono danneggiare lo stato mentale, interrompere l'utilizzo della macchina.
- L'operatore deve indossare indumenti idonei per evitare lesioni causate dal contatto degli indumenti con le parti rotanti e non deve appoggiare oggetti estranei sulla macchina.
- Se durante l'uso si verificano rumori o altre anomalie, fermarsi immediatamente e controllare. I tecnici non ingegneri sono pregati di non spostare arbitrariamente parti della macchina.
- Manutenzione e cura regolari (una volta/settimanalmente), evitando schizzi d'acqua o di altri liquidi e scatole di controllo elettroniche o altri componenti elettrici durante la pulizia della macchina.
- Utilizzare la macchina secondo le normali procedure operative e mantenere la superficie della macchina pulita e in ordine.
La macchina tappatrice viene utilizzata in tutti i tipi di processi di confezionamento nei settori cosmetico, farmaceutico, veterinario, dei pesticidi, degli oli lubrificanti e in altri settori industriali.





Principio e caratteristiche della macchina tappatrice per barattoli:
- Controllo automatico elettrico, è stabile;
- Con il dispositivo di posizionamento del tappo e il coperchio bloccato di serie, il funzionamento è comodo;
- Copri-lucchetto con un'ampia gamma di colori, può ruotare in diverse forme e specifiche del cappuccio;
- La velocità di tappatura, la prigione di rotazione, possono simultaneamente anche regolare, a seconda della necessità, la tenuta del riavvolgimento.


Parametri di base della macchina tappatrice per barattoli cosmetici:

1. Teste di tappatura: 2 servo-motori
2. Tensione: 220 V, 50/60 Hz;
3. Potenza: 3,0 kW
4. Pressione dell'aria: 0,5--0,7 MPa
5. Ampere: 8,5A
6. Velocità: 40-45/min (personalizzata in base alle forme e alle dimensioni dei barattoli)
7. Diametro del prodotto adatto: coperchi φ28-φ125mm (personalizzati non standard)
8. Tasso di passaggio della ghiandola: ≥99,5% (a seconda dell'errore del coperchio e della bottiglia)
9. Dimensioni della macchina: 3300*1150mm*1908mm
10. Peso: 450 kg
Descrizione della parte host


Interruttore di alimentazione: controlla l'alimentazione elettrica on---off.
Indicatore di alimentazione: accensione: luce verde accesa, spegnimento: luce verde spenta.
Arresto di emergenza: utilizzato per arrestare immediatamente la macchina o per ripristinare la funzione in caso di emergenza o guasto.
1. Avviamento fotoelettrico: La macchina è in funzione, quando il rilevamento fotoelettrico rileva che c'è una bottiglia e ha un coperchio, il giradischi può iniziare a funzionare. Se uno dei due fotoelettrici non viene rilevato, il giradischi non ruota.
2. Origine fotoelettrica: Viene utilizzato per controllare il motore passo-passo per azionare il posizionamento del piatto girevole, in modo che la bottiglia possa essere inserita senza problemi nel coperchio.
3. Fotoelettricità del cappuccio: Controllare che il coperchio sia in posizione e rilevare tramite un sensore fotoelettrico se è presente un piatto girevole da ruotare.
4. Fotoelettricità di copertura: Controllando l'avvio e l'arresto della macchina di copertura superiore, quando la copertura fornita dalla macchina di copertura superiore viene ordinata nella posizione rilevata dal sensore fotoelettrico, la fotoelettricità è sempre luminosa, la macchina di copertura si arresta per la copertura e la copertura intelligente viene implementata.
5. Fotoelettrico del coperchio della serratura: Al passaggio della bottiglia con il coperchio, viene rilevato il rilevamento fotoelettrico e il coperchio di bloccaggio viene azionato in base al tempo di ritardo impostato (i parametri specifici vengono regolati in base alla velocità del nastro trasportatore quando la macchina viene regolata).
6. Sistema di copertura della serratura: La bottiglia con il coperchio è la stessa, il ritardo di avvio fotoelettrico, il ritardo alla bottiglia con morsetto del cilindro, il tappo di bloccaggio è abbassato, il coperchio dell'impugnatura - il tappo a vite - il rilascio della pinza - il tappo di bloccaggio si solleva - la bottiglia con clip è allentata e il processo di tappo di bloccaggio è completato. Nel coperchio di bloccaggio, quando il coperchio di bloccaggio 1# è nel coperchio di bloccaggio, entra un'altra bottiglia. In questo momento, il cilindro della bottiglia con morsetto 2# si muove e il coperchio di bloccaggio 2# viene attivato per bloccare il coperchio. (Quando il tappo che è stato bloccato dalla testa di bloccaggio 2# supera la bottiglia con clip 1#, non ripetere il coperchio di bloccaggio.

Descrizione dell'interfaccia uomo-macchina

Pagina di avvio
3.1 La pagina di avvio ha la possibilità di selezionare le operazioni in inglese e cinese, se si sceglie il pulsante cinese, si accede alla seguente interfaccia:

Seconda interfaccia
Fermare: Interruttore di avvio dell'intera macchina: toccando questo tasto, la macchina funziona in modalità automatica; toccando nuovamente questo tasto, la macchina si ferma.
Porta di prova: Testare il funzionamento della macchina.
Velocità del giradischi: Quanto maggiore è il parametro velocità, tanto più veloce è la velocità, tanto più lento è il parametro velocità. (Ma c'è un limite massimo.)
Ritardo del giradischi: Impostazioni del tempo di avvio del giradischi, in base all'effetto regolare del giradischi da impostare.
Ritardo di limitazione: Dopo il giradischi alla stazione designata, ritardare il tempo di attesa, il tappo di azione del cilindro.
Tempo di chiusura: Tempo necessario per sigillare il cilindro.
Produzione: Completare la registrazione del numero di copri-serratura, conteggio di produzione conveniente. Premere il tasto di reset per cancellare.
Italiano: Controllare se il fotoelettrico è nello stato di lavoro della riflessione, è facile vedere il funzionamento dello stato della macchina,
Parametro di limitazione: Premere questo tasto e accedere alla seguente interfaccia:

L'interfaccia è una pagina di parametri da impostare per ogni azione della testa di bloccaggio 1 # nel sistema di copertura del servocomando; l'impostazione ragionevole dei parametri è vantaggiosa per la stabilità della macchina e il miglioramento dell'efficienza.
Ritorno: Premere questo pulsante per tornare alla seconda interfaccia.
Entrata/Uscita: Premere questo pulsante per accedere alla seguente interfaccia:

Punti della serie X: È il punto di ingresso per rilevare se il sensore fotoelettrico è in funzione, è facile vedere il funzionamento della macchina ed è di facile manutenzione.
Punti della serie Y: È il punto di uscita dei componenti esecutivi dello stato normale di feedback; è anche possibile premere manualmente il tasto di controllo per verificare se i componenti di esecuzione sono normali.
Sistema di alimentazione dei tappi: Può essere stabile e ordinato secondo la direzione prescritta per la copertura.
Regolazione dell'inclinazione: è possibile regolare un angolo ragionevole per evitare che il coperchio invertito salga nella slitta.
Regolazione del convertitore di frequenza: controllare la velocità della copertura.


Manutenzione delle attrezzature per la tappatura dei barattoli:
1. Mantenere la macchina in condizioni di spegnimento e gas spento per garantire la sicurezza. Mantenere la macchina pulita e in ordine, senza oggetti vari sulla macchina, senza piccoli articoli, accessori, bulloni, ecc.
2. L'olio lubrificante viene aggiunto regolarmente al meccanismo delle parti mobili per garantirne il buon funzionamento.
3. Per garantire il corretto funzionamento del cilindro e prolungarne la durata, scaricare regolarmente l'acqua dal filtro dell'aria e aggiungere olio lubrificante.
4. Controllare e riparare la macchina regolarmente. Valutare le condizioni di funzionamento dell'attrezzatura attraverso la vista e l'udito per assicurarsi che la macchina funzioni bene.
Nota: si prega di utilizzare e mantenere in stretta conformità con le istruzioni, il periodo di garanzia è severamente vietato aprire e smontare, altrimenti il danno causato da questo come danno umano, nessuna riparazione gratuita. Questa istruzione è soggetta a modifiche senza preavviso; se c'è ancora qualche incertezza sul funzionamento di questa macchina, si prega di contattarci in qualsiasi momento per richieste
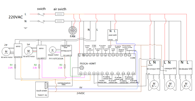
Schema elettrico allegato:

Campioni di tappi sigillati finiti della macchina tappatrice per barattoli:





Segni: per i barattoli neri quadrati, poiché i tappi sono suscettibili di graffiarsi, è progettato con un sistema di prelievo per estrarre i tappi dei barattoli dai vassoi e metterli nella stazione pronta per la tappatura per il processo di chiusura della tappatura. Il principio di funzionamento dettagliato è illustrato di seguito: Processo di lavoro:
1. Inserimento manuale dei tappi nel vassoio (15*15 o 10*10)

2. Posizionamento dei vassoi nella postazione di ritiro pronto
3. Robot che raccolgono i barattoli

4. Posizionamento delle bottiglie e conclusione del processo di tappatura
5. Uscita barattoli tappati











