
- Velocità di tappatura: 15-30 pezzi/min
- Tensione nominale: 110V/60Hz (standard USA)
- Potenza della macchina: 0,8 kW
- Ampere: 2,2A
- Dimensioni esterne: 2230*1460*1600 MM (L*W*H)
- Pressione dell'aria: 0,7 MPa
- Peso: circa 300 kg
Notifica prima dell'avvio della macchina tappatrice per bottiglie
1: Prima di collegare la macchina alla corrente, assicurarsi che l'interruttore di alimentazione sia in posizione chiusa, quindi seguire le istruzioni.
2: Se la macchina non viene utilizzata per un lungo periodo, pulirla con un panno asciutto e non utilizzare detergenti corrosivi.
3: È severamente vietato spruzzare liquidi nel quadro elettrico della macchina, per evitare la corrosione dei componenti elettrici interni e provocare cortocircuiti.
4: Controllare, in base alla lista di imballaggio dell'attrezzatura, i modelli, le specifiche e la quantità dell'attrezzatura e dei materiali per assicurarsi che siano conformi ai requisiti di progettazione e agli standard di prodotto e siano accompagnati dai certificati di conformità.
5: Controllare l'aspetto dell'attrezzatura per assicurarsi che sia priva di deformazioni, danni e corrosione e che tutti i mandrini ruotino in modo flessibile senza alcun blocco.
6: Questa macchina funziona con corrente alternata monofase da 110 V e la spina piatta a tre poli deve essere inserita nella presa di corrente con un filo di terra.
Parametri tecnici

- Velocità di tappatura: 15-30 pezzi/min
- Tensione nominale: 110V/60Hz (standard USA)
- Potenza della macchina: 0,8 kW
- Ampere: 2,2A
- Dimensioni esterne: 2230*1460*1600 MM (L*W*H)
- Pressione dell'aria: 0,7 MPa
- Peso: circa 300 kg
Macchina tappatrice in dettaglio:



Strutture della macchina

Descrizione dell'occhio elettrico in fibra ottica
Occhio elettrico per rilevare le bottiglie:

Quando funziona in modalità automatica, lo scopo di questo sensore è quello di rilevare le bottiglie in arrivo.
Quando viene rilevata la bottiglia in arrivo, il "piatto girevole" inizia a ruotare.
Occhio elettrico per consegna coperchio

Quando funziona in modalità automatica, lo scopo di questo occhio elettrico è quello di rilevare le coperture in arrivo.
Quando viene rilevato l'arrivo del coperchio, il "meccanismo di prelievo" si solleva per prelevare il materiale.
Occhio elettrico per consegna coperchio

Quando funziona in modalità automatica: Lo scopo di questo sensore elettrico è quello di rilevare le bottiglie in arrivo.
Quando viene rilevata la bottiglia in arrivo, il "meccanismo del tappo di bloccaggio" ruota il tappo di bloccaggio verso il basso.
Pulsante interruttore e porta di cablaggio
Touch Screen e arresto di emergenza

Motore di alimentazione e regolatore della piastra vibrante del coperchio

Regolatore della piastra vibrante

Regolatore della piastra vibrante: regolando la tensione, si regola la velocità di scarica.
Interruttore e prese di corrente

Controllore motore

Trasformatore di frequenza: regolando il pulsante del trasformatore di frequenza, si regola la velocità del motore.
Metodo di allarme e risoluzione dei problemi:
1. È stato premuto l'arresto di emergenza. Premere gli arresti di emergenza sul tappo della macchina e accanto al touch screen.
2. L'uscita raggiunge il valore impostato. Impostare l'uscita, premere il pulsante di cancellazione per cancellare l'uscita corrente.
3. Quando i tappi non vengono rilevati per un lungo periodo di tempo, controllare. Controllare la fibra di induzione del tappo della bottiglia per vedere se è ben fornita. Controllare se i tappi sono in posizione o meno.
4. Quando le bottiglie non vengono rilevate per un lungo periodo di tempo, controllare. Controllare se le bottiglie sono al loro posto.
Regolazione dell'occhio elettrico:
Struttura dell'amplificatore

Diagramma per fibra ottica:

1. Barra di bloccaggio in fibra ottica
2. Indicatore dello stato operativo
3. Impostare
4. Spia luminosa DSC
5. Monitor digitale
6. Pulsante manuale
7. Copertura di protezione estesa
8. Connettore di espansione
9. Interruttore selettore di potenza
10. Pulsante Modalità
11. Selettore di uscita
12. Cavi
13. Protezione antipolvere
14. Imposta valore (in verde)
15. Valore corrente (in rosso)
Processo di lavoro per l'impostazione della fibra ottica
- Quando la fotocellula cade nello spazio, il valore della corrente rossa è 144.
- Quando la sonda elettrica tocca l'etichetta, il valore della corrente rossa è 4.
- Regolare il valore impostato, circa la metà del valore dell'occhio elettrico sul corpo della carta (nello spazio tra gli oggetti da rilevare) e il valore dell'occhio elettrico sul corpo della carta. Il valore impostato è (144 4)/2=74, regolare il pulsante manuale per regolare il valore impostato su 74.
- Spostare avanti e indietro lo spazio tra l'etichetta e la posizione dell'elettrofotogramma e della "spia luminosa/spia indicatrice" rossa.
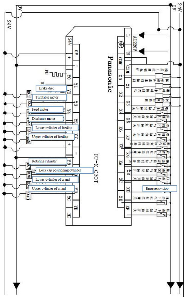
Schema elettrico



Manutenzione della macchina tappatrice per bottiglie

1. È necessario controllare e sottoporre a manutenzione la macchina per allungarla e ottimizzarne il funzionamento;
- La macchina funzionante deve essere sottoposta a manutenzione ogni tre mesi;
- Il cuscinetto e la parte di trasmissione degli ingranaggi devono essere lubrificati con il grasso;
- La lubrificazione deve essere effettuata periodicamente;
- L'olio per guide di scorrimento (N68) deve essere aggiunto alla parte con movimento alternativo o sollevamento due volte al giorno;
- L'olio per automobili (N68) deve essere aggiunto alle parti rotanti o oscillanti;
- Ogni quindici giorni aggiungere il grasso nella fessura della camma;
- Ogni mese una volta per l'ugello dell'olio aggiungendo il grasso;
2. Non usare mai utensili metallici per colpire o raschiare la superficie in cui l'adesivo è conglomerato su parti come componenti o stampi.
3. Se la macchina rimane ferma per un lungo periodo, aggiungere grasso per la lubrificazione di parti come la trasmissione o i cuscinetti; trattare inoltre la macchina con una protezione impermeabile.
4. Non appoggiare mai alcun oggetto sulla macchina per evitare di danneggiarla.
5. Pulire periodicamente la polvere all'interno dei componenti, controllare anche tutte le viti e riparare quelle allentate.
6. Controllare le viti nei terminali per il cablaggio a un certo momento e assicurarsi che la vite sia fissata;
7. Controllare se ci sono parti allentate nel percorso del cablaggio allungato dalle scatole elettriche; se la parte è troppo allentata, fissare nuovamente la vite per evitare abrasioni o danni allo strato isolante che potrebbero causare perdite elettriche.
8. Controllare i cuscinetti che si usurano facilmente e sostituire tempestivamente quelli danneggiati;









