
- Lavatrice per bottiglie di vetro VK-BR
- Macchina riempitrice olio VK-PF 4 teste
- Macchina tappatrice sottovuoto VK-VC
- Etichettatrice per bottiglie rotonde VK-RPL
La linea di riempimento completamente automatica può essere personalizzata in base alle esigenze del cliente e ai campioni offerti dall'acquirente. Di seguito sono elencate le informazioni di base per questa linea di riempimento completamente automatica per l'industria alimentare:
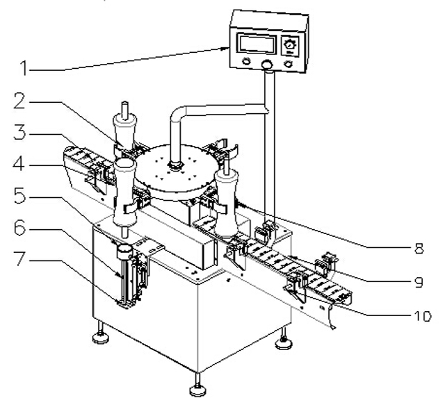
Macchina per il lavaggio dell'aria delle bottiglie di vetro Attrezzatura per la pulizia del vuoto
Si tratta di una lavatrice automatica per bottiglie ad aria. La capacità dipende dagli ugelli di lavaggio ad aria.
Il compressore d'aria trasporta l'aria all'interno del contenitore sotto vuoto, il gas viene purificato attraverso l'elettrovalvola e il generatore di ioni, lo shampoo per gas tracheale soffia il gas nelle bombole attraverso la bocca di lavaggio del gas, soffia fuori i gas estranei dalla bocca di lavaggio del gas grazie alla pressione del gas, riporta i gas di scarico tracheali all'esterno attraverso il controllo delle emissioni.

| 1 | Pannello di controllo | 2 | Bottiglie |
| 3 | Cintura per biberon | 4 | Sensore per l'alimentazione dei biberon |
| 5 | struttura di fissaggio bottiglie | 6 | Getto di risciacquo |
| 7 | Tuyere elettrostatica | 8 | Punto di fissaggio delle bottiglie |
| 9 | Nastro per uscita bottiglie | 10 | Barra di guida |
Parametro di base della macchina di lavaggio dell'aria rotativa automatica per bottiglie di vetro:

Modello: VK-BR
Adatto a bottiglia: 20-1000 ml
Capacità produttiva: 8 ugelli di pulizia: 3600~4800bph
Campo di pressione dell'aria: 6~8kg/cm2
Consumo aria: 25m3/h
Alimentazione: 220V 50/60Hz
Consumo energetico: 0,75 kW
Rumore della singola macchina: ≤70dB
Aria purificata: 0,2μm
Tempo di pulizia: 3~5s
Peso netto: 350 kg
Dimensioni complessive: 1200 x 800 x 1600 mm
Riempitrice di olio Riempitrice lineare a 4 teste

La riempitrice per olive a 4 teste, controllata dal microcomputer, combina la fotoelettricità con il funzionamento pneumatico, trovando quindi ampia applicazione per il riempimento di liquidi di prodotti chimici agricoli, soluzioni, detersivi liquidi, cosmetici e olive.
Il volume di riempimento è preciso, senza schiuma e stabile. La macchina può riempire il liquido con un intervallo da 25 a 1000 ml, nel frattempo non ci sono requisiti speciali sulle forme delle bottiglie. Vale a dire, può riempire il liquido per le bottiglie normali così come per le bottiglie a forma di irrugula.

Modello: VK-PF
Intervallo di riempimento: 50~3000ml
Velocità di riempimento: <20-30b/m (per 500-1000 ml di liquido)
Precisione: ±1%
Potenza/alimentazione: 0,8 kW, 220 V
Pressione di esercizio: 5~6kg/cm3
Consumo d'aria: 0,5-0,7mpa
NW: 500kg
Dimensioni esterne: 2000×800×1900mm
Segno: Gli ugelli di riempimento possono essere progettati e realizzati in base alle esigenze dei clienti in termini di intervallo di riempimento e velocità di riempimento.
Macchina tappatrice lineare sottovuoto Vk-Vc Attrezzatura tappatrice per barattoli:
Questa macchina tappatrice lineare è stata studiata e sviluppata dalla nostra azienda con anni di esperienza, è unica nel suo genere in ambito nazionale. Sistemazione automatica dei tappi integrata con copertura, tappatura sottovuoto.
Pompa per vuoto manuale adottata per ottenere un vuoto elevato. Con le funzioni di nessuna bottiglia nessuna copertura, allarme quando non sono disponibili tappi. Goduto di un'automazione elevata. Le principali parti pneumatiche ed elettriche provengono da marchi famosi in tutto il mondo.
Con prestazioni stabili e affidabili. È ampiamente utilizzato per la tappatura sottovuoto di barattoli di vetro con tappi di ferro nei settori di alimenti in scatola, bevande, condimenti, prodotti per la salute ecc.

Potenza: ≤2,3KW (inclusa la pompa per vuoto)
Capacità produttiva: 50-60 BPM
Diametro del tappo: ¢30-¢55mm ¢50-¢85mm
Altezza della bottiglia: 80-250 mm
Diametro della bottiglia: 30-85 mm
Vuoto massimo: -0,08mpa
Torsione di capping: 5-20N.M
Consumo d'aria: 0,6M3/0,7Mpa
Dimensioni della macchina: circa 3000×1000×1900mm
Peso: circa 850 kg
Etichettatrice per bottiglie e barattoli rotondi Vk-Rpl

Applicazione: Richiede la superficie circonferenziale dell'etichetta o del prodotto attaccato alla membrana.
Industria: Ampiamente utilizzato nei settori alimentare, medico, cosmetico, elettronico, metallurgico, della plastica e in altri settori.
Applicazione: Etichettatura di bottiglie rotonde in PET, etichettatura di bottiglie di plastica, alimenti in scatola e così via.

Lunghezza etichetta adatta (mm): 20 mm ~ 314 mm
Larghezza etichetta applicabile (larghezza carta di supporto/mm): 15mm ~ 150mm
Diametro dei prodotti applicabili (per bottiglia rotonda) e altezza: diametro: φ25mm ~ φ100mm
Altezza: 25mm ~ 230mm
Diametro del rotolo standard applicabile (mm): φ280mm
Diametro del rotolo standard applicabile (mm): φ76mm
Precisione di etichettatura (mm): ± 1mm
Velocità standard (m/min): Servo: 5 ~ 25m/min Stepping: 5 ~ 19m/min
Velocità di etichettatura (pz/min): Stepping: 30 ~ 80 pz/min (con la dimensione della bottiglia e dell'etichetta)
Servomotore: 40 ~ 120 pezzi/min
Velocità del trasportatore (m/min): 5 ~ 25m/min
Peso (kg): circa 185 kg
Frequenza (HZ): 50HZ Tensione (V): 220V
Potenza (W): 530W (trazione passo-passo) 980W (trazione servo)
Dimensioni del dispositivo (mm) (L × P × A): 1950 mm × 1100 mm × 1300 mm


Imballaggio in cassa di legno:

Servizio post-vendita per la linea di riempimento

Garantiamo la qualità delle parti principali entro 12 mesi. Se le parti principali si guastano senza fattori artificiali entro un anno, le forniremo gratuitamente o le manterremo per te. Dopo un anno, se hai bisogno di cambiare parti, ti forniremo gentilmente il miglior prezzo o le manterremo nel tuo sito. Ogni volta che hai domande tecniche sull'utilizzo, faremo liberamente del nostro meglio per supportarti.
Garanzia di qualità:
Il produttore garantisce che i beni sono realizzati con i migliori materiali del produttore, con lavorazione di prima classe, nuovi di zecca, inutilizzati e corrispondono sotto tutti gli aspetti alla qualità, alle specifiche e alle prestazioni come stipulato nel presente contratto. Il periodo di garanzia della qualità è di 12 mesi dalla data di polizza di carico.
Durante il periodo di garanzia di qualità, il produttore riparerà gratuitamente le macchine oggetto del contratto.
Se il guasto è dovuto ad un uso improprio o ad altri motivi da parte dell'acquirente, il produttore addebiterà il costo dei pezzi di ricambio.
Installazione e debug:
Il venditore invierà i suoi ingegneri per istruire l'installazione e il debugging. I costi saranno a carico dell'acquirente (biglietti aerei di andata e ritorno, spese di alloggio nel paese dell'acquirente). L'acquirente dovrebbe fornire assistenza in loco per l'installazione e il debugging.









